室外型采暖炉防冻性能试验分为有风状态试验和无风状态试验,那么,这些试验应该怎么做呢?下面我们来看看室外箱采暖炉防冻性能试验的详细步骤。
试验产品:室外型采暖炉
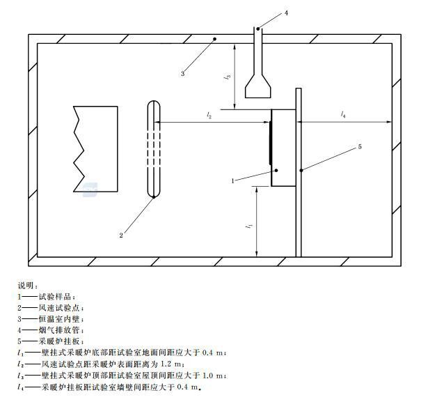
试验设备:燃气采暖炉防冻性能试验室
设备型号:HYCN-10
参考标准:GB 25034-2020《燃气采暖热水炉》

一、无风状态试验:
将恒温室内的温度调至-20℃±2℃,按下列步骤试验:
1.待机状态下放置4h,试验期间恒温室外的温度应确保室内温控器不会启动采暖炉,然后试验采暖水、生活热水和冷凝水水温;
2.采暖状态最小热负荷下运行0.5h,试验采暖水、生活热水和冷凝水水温;
3.生活热水状态最小热负荷下运行0.5h,试验采暖水、生活热水和冷凝水水温。
二、有风状态试验:
将恒温室内的温度调至-10℃±2℃,风筒的前端为长1.5m、直径1.2m的圆柱形;以3m/s的风速吹向采暖炉,按下列步骤试验:
1.待机状态下吹风4h,试验期间恒温室外的温度应确保室内温控器不会启动采暖炉,然后试验采暖水、生活热水和冷凝水水温;
2.采暖状态最小热负荷下运行0.5h,试验采暖水、生活热水和冷凝水水温;
3.生活热水状态最小热负荷下运行0.5h,试验采暖水、生活热水和冷凝水水温。
相关技术参数:
内部尺寸:1800*2200*1900(宽*高*深)
温度范围:-15~30℃
湿度范围:20~98%RH
升降温速率:0℃→+35℃ ≤15min;+25℃→-15℃ ≤40min
内部材质:SUS304不锈钢
外部材质:彩钢板
保温材质:100mm聚氨脂保温层
大门:1900H/1200W,双层密封保证气体不泄露
窗户:500/500mm,双层钢化玻璃带除霜除雾功能
风道:内置不锈钢风道顶部出风底部回风
排气:顶部安装烟气排放管一套
照明:日光灯4盏
氧气装置:(选配) 配备恒定氧气装置








