燃气采暖炉耐冻性能试验室是测试采暖炉在有风状态下的耐冻性能。 将试验室内的温度调至-10℃±2℃,以3m/s的风速吹向采暖炉,以测试其防冻性能,本防冻性能试验室满足GB 25034-2020标准。
满足标准:GB 25034-2020
测试方法:
1.待机状态下吹风4h,试验期间恒温室外的温度应确保室内温控器不会启动采暖炉,然后试验采暖水、生活热水和冷凝水水温。
2.采暖状态最小热负荷下运行0.5h,试验采暖水、生活热水和冷凝水水温。
3.生活热水状态最小热负荷下运行0.5h,试验采暖水、生活热水和冷凝水水温。
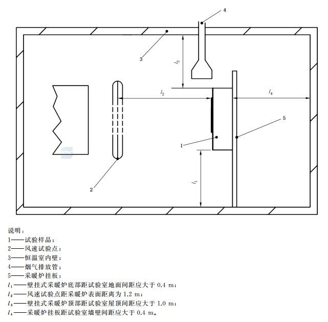
燃气采暖炉耐冻性能试验室产品示意图:






