欢迎光临官网!专业(可程式恒温恒湿试验箱)、冷热冲击试验箱、高低温试验箱及VOC环境舱厂家。
恒温恒湿试验箱源头制造商高新技术企业 欧盟标准 双效合一
全国咨询热线:15322932685

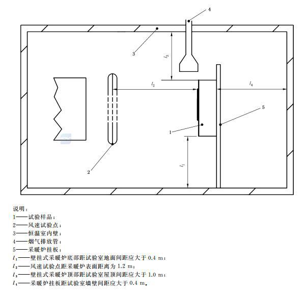
采暖炉防冻性能试验室如何安装采暖炉

时间:2022-03-22 11:57:27 作者:小编 点击:

采暖炉是很常见的家用工具,采暖炉的防冻性能好不好,需要经过采暖炉防冻性能试验室中做相关的测试,测试前需要放置好测试产品,下面教大家如何放置。

采暖炉做防冻性能试验前的放置方法:

1.将采暖炉安装在防冻性能试验室内,使用0~2气,采暖系统与防冻性能试验室外的水容量不大于100L的散热系统相连,采暖系统注水温度为2℃±0.5℃;

2.生活热水系统进水压力为0.1MPa,水温为2℃±0.5℃,冷凝水收集器注水温度为2℃±0.5℃,直至水排出。

3.通过适当的管路将烟气排放到防冻性能试验室外,接通电源,采暖水温和生活热水水温设定为最低温度值。

注意:如制造商声称可连接室内温控器,按制造商声称安装室内温控器,室内温控器温度设定为最低温度并将室内温控器放置在防冻性能试验室外。

采暖炉防冻性能试验室
标签: 采暖炉防冻性能试验室

相关文章/ Related Articles
Baidu
map