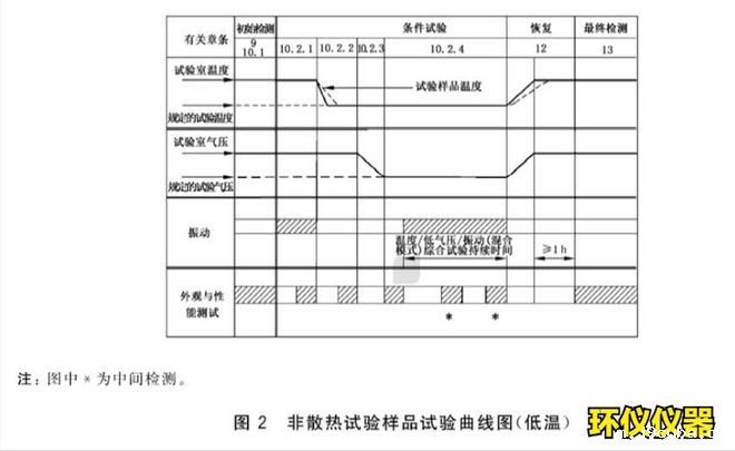
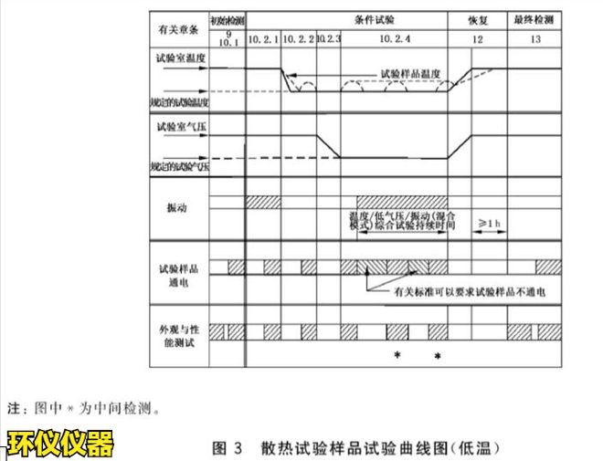
温度高度振动综合试验箱,试验样品应按照试验程序依次进行试验室温度下的振动试验、温度试验和温度/低气压综合试验,最后再叠加以振动(混合模式)使试验样品经受温度(低温、高温)/低气压/振动(混合模式)的综合试验。
下面是温度高度振动试验的实验步骤:
试验设备:四综合试验箱
设备品牌:
.jpg)
1.振动试验:
综合试验箱(室)内处于试验室温度。试验样品在无包装不通电状态下按规定的轴线安装到振动台上,然后按有关规范规定的严酷等级进行振动试验。
2.温度试验:
试验样品保持振动试验时的安装。试验箱(室)内的温度应调到有关规范规定值并使试验样品达到温度稳定。试验箱(室)内温度变化的速率控制应符合GB/T 2423.22的要求。
3.温度/低气压综合试验:
试验箱(室)内的气压降至有关规范规定值,气压变化率不应大于10 kPa/min或按有关规范规定。温度和气压达到有关规范规定值并稳定后,当有关规范要求时,则对试验样品进行性能检测。
4.温度(低温、高温)/低气压/振动(混合模式)综 合试验:
温度和气压达到规定值并稳定后,按有关规范规定的严酷等级进行振动试验。当需要确定试验样品的危险频率而进行振动响应检查时,温度和气压应在规定的持续时间内保持不变,见图2或图3。
.jpg)
.jpg)
当有关规范要求时,则对试验样品进行性能检测。试验结束即停止振动.对试验期间运行(或工作)的试验样品应断电或卸载。








