欢迎光临官网!专业(可程式恒温恒湿试验箱)、冷热冲击试验箱、高低温试验箱及VOC环境舱厂家。
恒温恒湿试验箱源头制造商高新技术企业 欧盟标准 双效合一
全国咨询热线:15322932685
当前位置: 首页 > > 试验标准

《NB/T 10330-2019 电动汽车用直流接触器》标准

时间:2024-01-09 08:54:23 作者:小编 点击:

《电动汽车用直流接触器》是2019年12月27日实施的一项中国国家标准。该标准规定了对电动汽车用直流接触器的技术要求、试验方法、检验规则、标志、包装、运输和贮存等要求,适用于额定电压不超过1500V的电动汽车用直流接触器。


一、范围:
本标准规定了电动汽车用直流接触器的范围、术语、特性、产品资料、正常的使用和安装条件、结构和性能要求以及试验程序。

本标准适用于主触头用来接入额定电压不超过直流1 500 V的电动汽车用直流接触器,在电动汽车高压电气系统起接通与分断电路的作用。


二、试验项目:
冲击试验、振动试验、温度循环试验、温度快速变化试验、温湿度试验、盐雾试验等。


三、试验设备:
恒温恒湿试验箱温度冲击试验箱、盐雾试验机、振动试验机等。


四、设备厂商:

《NB/T 10330-2019 电动汽车用直流接触器》标准(图1)


五、试验程序(部分):

温度循环试验:
直流接触器按GB/T 2423.22进行规定变化率的温度循环试验,按照图7和表11规定进行30个循环。
在整个装置达到Tn后使DUT通电运行,用尽可能短的时间检查装置的功能,试样DUT的附加通电运行在循环的第210 min和第410 min间进行。温度变化范围应符合表11,试验包括热浸透温度,见图8和表12。

试验过程中直流接触器不允许出现损坏,功能状态应达到A级。

《NB/T 10330-2019 电动汽车用直流接触器》标准(图2)

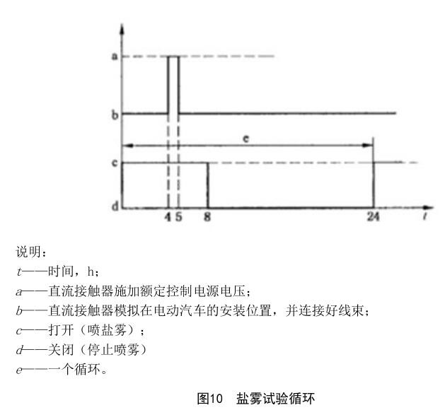
盐雾试验:
直流接触器按GB/T 2423.17试验Ka并按图11所示循环进行。一个循环持续24 h。对试样DUT喷雾8 h,然后休息16 h,在一个循环的第4小时和第5小时之间通电运行DUT,共进行6个循环。

试验过程中直流接触器不允许出现损坏,功能状态应达到A级。

《NB/T 10330-2019 电动汽车用直流接触器》标准(图3)


标签: 检测标准

相关文章/ Related Articles
Baidu
map