《GB/T 31899-2015 纺织品 耐候性试验 紫外光曝晒》是中国国家标准,用于测试纺织品在模拟紫外光曝晒条件下的耐候性。
一、范围:
本标准规定了对户外用纺织品进行紫外光曝晒老化的试验方法及老化前后性能变化的测定。
本标准适用于各种户外用纺织材料及制品。
注:本方法的应用及局限性参见附录A。
二、试验项目:
耐候性试验。
三、试验设备:
紫外老化试验箱。
四、设备厂商:
.jpg)
五、试验程序(部分):
1.将试样安装在试样夹上,并将试样夹放置在试验机的样品架上。应确保试样的使用面(正面)面对光源,并保证试样表面平整。
对于纱线样品:将纱线缠绕在长度至少为150 mm的试样夹上,直接曝晒在紫外光下的纱线可用来测试断裂强力。可以测试单根纱或多根纱。当测试多根纱时,缠绕在试样夹上的纱线应紧密排列,宽度为25 mm。保留样品的纱线根数和曝晒样品的纱线根数应相同。
2.当样品架没有装满时,用空白试样夹将其填满。
3.根据产品用途或双方协议选择表1的试验条件,调节试验设备,达到所需的试验条件后开始测试。试验应保持连续进行。

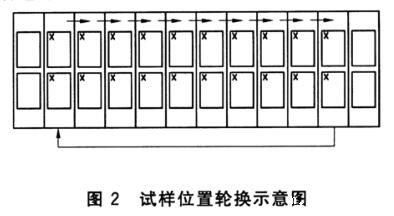
4.在试验过程中要使试样均匀接受紫外光照和温度.湿度影响。曝晒区域任一点的辐照度介于此区域最大辐照度的70%~90%之间时,需对试样的位置进行周期性轮换,以保证试样接收到相同的辐射
能量。如图2所示,先将最右边的两个试样夹移到曝晒区域的最左边﹐再将其他试样夹依次移到右边。
.jpg)
这种试验方法用于模拟纺织品在日光暴露下的颜色稳定性和耐久性。它对于纺织品生产和应用中的质量控制非常重要,因为它可以帮助生产商确定纺织品在户外暴露条件下是否能够保持颜色的稳定性,从而确保产品的质量和持久性。








